
電機行業發揮“心臟”作用,高效節能發展成必然。工業的發展在很大程度上得益于電機的發展和應用。電機自生產之日就廣泛應用在各個領域,作為專注全球電機測試的艾普,時刻關注著電機行業的發展,時刻為電機行業保駕護航。
今日艾普小編為大家分享的是:串激電機原理結構。
串激電機原理結構
串激電機工作原理同直流電機,左手定則和右手定則就能完全解釋它的原理。
電機主要由定子轉子及支架三部分組成的,定子由凸極鐵心和勵磁繞組組成,轉子由隱極鐵心、電樞繞組、換向器及轉軸等組成。勵磁繞組與電樞繞組之間通過電刷和換向器形成串聯回路。

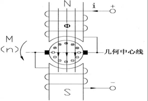
串激電機定子接線圖
串激電機的定子繞組與電樞繞組是串聯的,見圖(單相串激電機原理圖),定子電流就是電樞電流,定子產生磁通φ與電樞電流幾乎同相位。若電機在運行過程中負載增大時,電流和磁通也增加,但轉速下降,維持輸出功率不變。P2=M×n/9.55(W) ,其中M為轉矩(N.m),n為轉速(rpm).

直流電機和交流串激電機的工作原理和區別
直流電機工作原理
直流電源電流順著電源正極流到了左邊的電刷上面,電刷和換向器相互摩擦,電流經過左邊的換向器(也叫換向片,這個電機有左右兩個換向片)流進線圈,從線目的右邊流出來,經過右邊的換向片和右邊的電刷流回到電源的負極,形成了閉合回路.
由于線圈處在主磁極(圖中的N和S)的磁場中,線圈會受到電磁力的作用,線圈的兩個邊由于電流的方向不同(左邊的電流向里流,右邊的向外流),所以兩個線圈邊受到大小相同方向相反的電磁力,這兩電磁力剛好形成了電磁轉矩,在電磁轉矩的拉動下,線圈開始轉動了.直流電機中線圈嵌放在轉子槽中,電動機就開始轉動了.
左右換向片跟著轉軸囀動,而電刷固定不動,轉動一圈以后,右邊的線圈到了左邊,左邊的線圈到了右邊,但是由于換向片的存在,現在處在左邊的線國內的電流方向和原來處在左邊的線圈變的電流的方向—樣流向里,所以受到的電磁力方向不變,右邊也一樣.所以從空間上看,在相同位置的線圈邊受的電磁力方向是-直不變的,這就保證了電機的循環轉動.
但是一個線圈,由于這個線圈轉到不同位置時磁場是不相同的,導致了線圈所受的電磁力也—直在變,所以線圈轉起來不穩定,忽快忽慢.所以可以通過多安裝幾個線圈來保證線圈受力均勻和穩定.
再說交流串激電機工作原理:
交流電機分同步和異步電機,同步主要用作發電機,異步主要是電動機。主要說一下異步電動機吧,由于異步電動機結構簡單,價格便宜,維護方便,運行可靠等特點得到了廣泛的應用。
交流電機雖然結構簡單,但是工作原理其實比直流電機要復雜一點,如果要理解清楚也更加費勁。
在交流電機的定子上通上三相對稱交流電,如上圖所示,定子不動,僅僅通過電流的變化就能產生旋轉的合成磁場,這個磁場像一個繞著定子旋轉的磁鐵。
有了這個旋轉的磁鐵,一切就都好辦了,在定子內部隨便放一個閉合的線圈,在這個閉合線圈里就會感應出電動勢和電流,就會產生電磁力,閉合線圈就會轉動起來。
也可以這么理解,定子上有一個旋轉的磁鐵,轉子閉合線圈由于感應帶電,,其實也變成了一個電磁鐵,外面的電磁鐵在轉,就會帶著里面的電磁鐵轉,于是交流電機的轉子就轉起來了。
定子磁場的旋轉速度叫同步轉速,里面轉子其實是被定子磁場牽引著在轉動,所以它的轉速會比定子磁場的轉速慢,所以叫異步轉速。所以有了異步電動機的名稱。
交流電機的轉子就是這么簡單的幾個閉合線圈,或者說閉合導體,像一個鼠籠子一樣,所以又叫鼠籠式異步電動機。
另外,由于轉子內部的電動勢和電流是由于定子磁場感應出來的,所以又把異步電動機叫做感應電動機。所以三相交流串激電機的名字比較多:交流電機,異步電機,感應電機,都是在說它,是從不同的角度給它起的名字而已。
串激電機和感應電機的區別
1,串激電機內部有碳刷,會慢慢磨損。工作時有火花,有較強的電磁干擾,轉速高,定/轉子都有線圈。感應電機,無碳刷(換向器),一般多為電容啟動,一般多為鼠籠式,及定子為線圈,轉子為鑄鋁件,單相的一般為3000轉以下(轉速與極對數成反比),
2,串激電機噪音較大,啟動轉矩大,能交直流通用。感應電機噪音較低。
3,后期維護費用相不同。有刷的電機根據不同的使用環境條件從200h到1000h要換電刷,有刷電機長時間工作后容易造成碳粉積聚,造成電機絕緣下降。另外有換向火花產生,對于防火、防爆場所必須進行安全防護或采用防爆電機。而感應電機則完全規避了這些弱點,只要軸承不壞電機一般不會壞,壽命較長。
什么是單相串激電機
吸塵器,榨汁機,豆漿機都用單相串激電機,有定子繞組和轉子繞組,轉子繞組帶換向器,定子繞組和轉子繞組串連,接220V交流電,也可接直流電。
串激電機和感應電機的區別、串激電機,就介紹到這里啦!感謝大家的閱讀!希望能夠對大家有所幫助!
串激電機的原理需詳細點
串激(串勵)電機就是定子繞組和轉子繞組串聯的電機。
工作原理:在交流電源供電時,產生旋轉力矩的原理,仍可以用直流電動機的運轉原理來解釋。
當導體中通有電流時,在導體的周圍產生磁場,其磁力線的方向取決于電流方向。將通電的導體放
入磁場中,這磁場與通電導體所產生的磁場相互作用,將使此導體受到一個作用力F,并因此而產生運動,導體會從磁力線密的地方向磁力線稀的方向移動,當將由兩個互相相對的導體組成的線
圈放入磁場時,線圈的兩個邊也受到了作用力,此二力的方向相反,產生力矩。當線圈在磁場中轉動時,相應的二個線圈邊,從一個磁極下轉到另一個磁極下時,此時由于磁場極性有了改變,將
使導體受到的作用力的方向改變,也使轉矩的方向改變,從而使線圈向反方向轉動,于是線圈只能繞中心軸來回擺動。
請問串激電機是屬于同步電機還是異步電機
交流電機之下有1)同步2)異步之說:
1)同步:永磁同步電機(目前電動汽車主流,不過Tesla不用)、磁阻同步電動機和磁滯同步電動機。同步電機一般用作發電機。
2)異步:2.1)感應電動機2.2)交流換向器電動機。
2.1)感應電動機:三相異步電動機、單相異步電動機、罩極異步電動機等。
2.2)交流換向器電動機:單相串勵電動機(俗稱串勵電機老外叫Universal Moto)、推斥電動機
單向串激電機如何才能反轉
把碳刷的兩根線,互相調一下,有的串激電機的轉子在繞制過程中就決定了其轉向,如果改變碳刷接線的方法不好使,這種轉子是無法改變其轉向的。
串激(串勵)電機就是定子繞組和轉子繞組串聯的。直流電機按照勵磁種類可以分為:串勵,并勵,復勵和他勵。串勵只是直流電機其中的一種勵磁原理。這種電機主要用在電動工具中屬于交直流兩用電機或直流電機中。
串勵直流電動機的勵磁繞組與轉子繞組之間通過電刷和換向器相串聯,勵磁電流與電樞電流成正比,定子的磁通量隨著勵磁電流的增大而增大,轉矩近似與電樞電流的平方成正比,轉速隨轉矩或電流的增加而迅速下降。
其起動轉矩可達額定轉矩的5倍以上,短時間過載轉矩可達額定轉矩的4倍以上,轉速變化率較大,空載轉速甚高(一般不允許其在空載下運行)。可通過用外用電阻器與串勵繞組串聯(或并聯)、或將串勵繞組并聯換接來實現調速。
擴展資料
結構:電機主要由定子轉子及支架三部分組成的定子由凸極鐵心和勵磁繞組組成,轉子由隱極鐵心、電樞繞組、換向器及轉軸等組成。勵磁繞組與電樞繞組之間通過電刷和換向器形成串聯回路。
用途:串激電機因轉速可調范圍廣,啟動扭矩大的特點被廣泛的應用于電動工具,廚房用品,地板護理產品領域。
目前我司已研發生產出串激電機的檢測設備,其中包括串激電機定子測試設備、串激電機電樞轉子測試設備、串激電機整機測試設備、測功機測試設備。串激電機檢測設備的“問世”,大大降低了串激電機的出廠不良率。
艾普智能一直致力于電機測試設備的研發生產,時刻關注著電機測試行業的發展。艾普智能與時俱進,專注、創變是艾普人一直不變的追求,目前已與多家知名企業達成深度合作,深得客戶信賴!未來,艾普愿與您攜手共譜電機測試新篇章!
(本文摘自網絡,如有侵權,請聯系本人刪除)
魯公網安備37021302000917號